PRODUCT
CQB型不銹鋼磁力泵發貨實拍視頻:
CQB型不銹鋼磁力泵待組裝實拍視頻:
一、概述
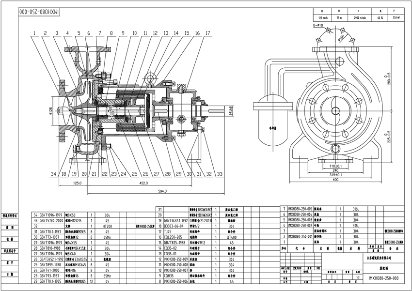
CQB磁力驅動離心泵(簡稱磁力泵),通常由電動機,磁力偶合器和耐腐蝕離心泵組 成。其主要特點是利用磁力偶合器傳遞動力,完全無泄漏,當電動機帶動磁力偶合器的外磁鋼旋轉時,磁力線穿過問隙和隔離套,作用于內磁鋼上,使泵轉子與電動 機同步旋轉,無機械接觸地傳遞扭矩。在泵軸的動力輸入端,由于液體被封閉在靜止的隔離套內,沒有動密封因而完全無泄漏。
CQB系列磁力泵型式及基本參數符合JB/T 7742—1995《小型磁力驅動離心泵型式與基本參數》標準和《小型磁力驅動離心泵三個標準的補充規定》。

二、安裝和使用
1、磁力驅動泵應水平安裝,不宜豎立,塑料泵體不得承受管路重量,對于特殊要求垂直安裝的場合,電機務必朝上。
2、當CQB磁力泵抽吸液面高于泵軸心線時,磁力驅動泵起動前打開吸入管道閥門即可,若抽吸液面低于泵軸心線時,管道需配備底閥。
3、磁力驅動泵使用前應進行檢查,電機風葉轉動要靈活,無卡住無異常聲響,各緊固件要緊固。
4、檢查電機旋轉方向是否與磁力泵轉向標記一致。
5、磁力驅動泵電機啟動后,緩慢打開排出閥,待泵進入正常工作狀態后,再將排出閥調到所需開度。
6、磁力驅動泵停止工作前,應先關閉排出閥門,然后關閉吸入管閥門。
三、使用注意事項
1、因磁力泵軸承的冷卻和潤滑是靠被輸送的介質,所以絕對禁止空動轉,同時避免在工作中途停電后再啟動時所造成時空載運轉。
2、被輸送介質中,若含有固體顆粒,磁力驅動泵入口要加過濾網:如含有鐵磁質微粒,需加磁性過濾器。
3、磁力驅動泵在使用中環境溫度應小于40℃,電機溫升不得超過75℃。
4、磁力驅動泵被輸送的介質及其溫度應在泵材允許范圍內(詳見附表)。工程塑料泵的使用溫度<60℃,金屬泵的使用 溫 度<100℃,輸送吸入 壓力不大于0.2mpa,最大工作壓力1.6mpa、密度不大于1600kg/m3,粒度不大于30×10-6m2/s的不含硬顆粒和纖維的液體。
5、磁力驅動泵對于輸送液為易沉淀結晶的介質,使用后應及時清洗,排凈泵內積液。
6、磁力驅動泵運行100小時后,應拆檢軸承和端面動環的磨損情況,并更換不宜再用的易損件。
7、CQB磁力泵內外磁性聯軸器采用高性能永磁材料,可能對下列器件產生潛在危害,請將下列器件與本系列泵保持距離。如:心臟起博器,磁卡、計算器、計算機磁盤、手表等。
四、性能參數表
型號 | 流量 (m3/h) | 揚程 (m) | 轉速 (r/min) | 功率 (kw) |
CQB32-20-125 | 3.2 | 20 | 1.1 | |
CQB32-20-160 | 32 | 1.5 | ||
CQB40-25-105 | 6.3 | 12.5 | 1.1 | |
CQB40-25-125 | 20 | 2.2 | ||
CQB40-25-160 | 32 | 3 | ||
CQB40-25-200 | 50 | 5.5 | ||
CQB50-40-85 | 12.5 | 8 | 1.1 | |
CQB50-32-105 | 12.5 | 1.5 | ||
CQB50-32-125 | 20 | 3 | ||
CQB50-32-160 | 32 | 4 | ||
CQB50-32-200 | 50 | 7.5 | ||
CQB50-32-250 | 80 | 18.5 | ||
CQB65-50-125 | 25 | 20 | 2900 | 4 |
CQB65-50-160 | 32 | 7.5 | ||
CQB65-40-200 | 50 | 15 | ||
CQB65-40-250 | 80 | 22 | ||
CQB80-65-125 | 50 | 20 | 7.5 | |
CQB80-65-160 | 32 | 15 | ||
CQB80-50-200 | 50 | 22 | ||
CQB80-50-250 | 80 | 37 | ||
CQB100-80-125 | 100 | 20 | 15 | |
CQB100-80-160 | 32 | 22 | ||
CQB100-65-200 | 50 | 37 | ||
CQB100-65-250 | 80 | 55 | ||
CQB150-150-200 | 200 | 50 | 55 | |
CQB200-200-400 | 400 | 32 | 1450 | 75 |
五、產品實拍及使用現場


























上一篇:CQF型氟塑料磁力泵
下一篇:CW型磁力驅動旋渦泵
為您提供耐腐耐磨砂漿泵,工程塑料泵,蒸發循環泵等方面的專屬解決方案