PRODUCT
一、概述
AFSM型耐腐蝕泵是我公司采用專有技術 ZSM系列耐磨耐蝕材料生產的一種新型化工離心泵,其性能范圍包括了IH系列和F系列化工泵所有性能,可廣泛適用于工礦、冶金化工等耐磨耐蝕場合。
可輸送常溫、高溫或具有強腐蝕性并含有固體顆粒的液體,適用于:
1、濕法煉鋅、煉鎳等冶金化工。液體輸送及板框壓濾機專用。
2、石油化學工業
3、煉油廠
4、造紙廠和紙漿廠
5、制糖業、制藥
6、合成纖維
7、油脂化工
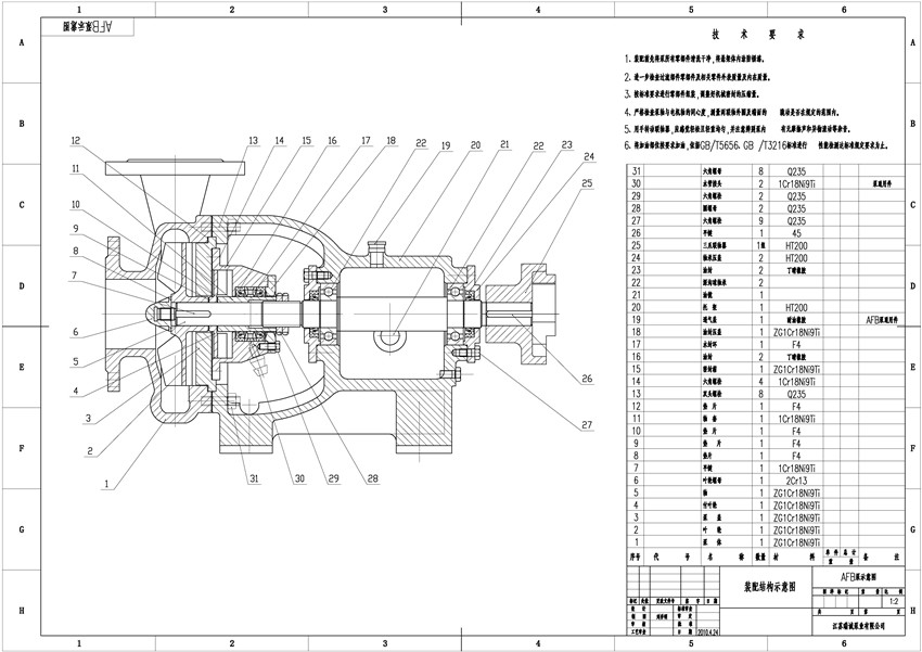
二、結構簡圖

三、性能參數

四、產品實拍及使用現場






上一篇:SAJ型化工流程泵
下一篇:YLB型無泄漏壓濾機專用泵
為您提供耐腐耐磨砂漿泵,工程塑料泵,蒸發循環泵等方面的專屬解決方案